選擇語言:簡體中文 | 繁體中文
025-87771411
400-008-9311
 
首 頁 > 產品中心 > SUNYEH > 詳細
 
 
產品分類
氣動閥
電動閥
球閥
蝶閥
風閥
閘截止閥
氣動執行器
電動執行器
電動調節閥
氣動調節閥
氣動元件
Airtorque
i-Tork
SUNYEH
SIRCA
HIGHRATE
SEFORT
VEAPON
 
SUNYEH
【SUNYEH】電動對夾蝶閥/碳鋼
 

【SUNYEH】電動對夾蝶閥/碳鋼

產品品牌:SUNYEH

電源控制:開關型、調節型

閥體材質:碳鋼

連接方式:對夾

環境溫度:標準型-20℃~+70℃

介質溫度:-20℃~+300℃


 QQ:2452931856/2361134893
 電話/微信:13390906260
 
  • 詳細介紹
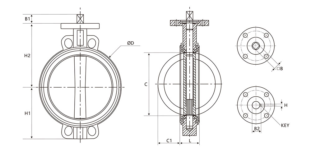
  • 產品尺寸
 

產品特點

1、外殼:

(1)IP67:防水防塵密封等級

(2) NEMA 4X:防水防等級密封

(3)材質:鋁合金粉體涂裝

2、馬達:

(1)標準感應式馬達使用于3 0%啟動頻率之驅動器,7 5%啟動頻率時使用DC馬達

(2)所有型號之馬達皆是F等級

(3)內建溫控保護裝置(135℃)防止馬達過熱燒毀

3、凸出型開度指示器:所有型號于外殼上方都裝有連續機械裝置至開度指示

4、手動裝置:

(1)無離合器設計:當電流中斷時,在無需使用任何輔助工具(例如:扳手、剎車等)的情況下,

可利用手動操作直接轉動手輪將閥門轉至所需位置

(2)且當電源正常供應時,工作所人員不會因為誤轉手輪而產生人身傷客造成驅動器的故障

5、齒輪組:

(1)高合金鋼齒輪為避免閥回轉具有自動鎖閉的功能

(2)齒輪組已經涂抹有足夠的抗高溫潤滑油

6、工作條件:

(1)環境溫度-30——+65C

(2)濕度30%——95%

7、認證:ISO9001,CE, CAS,RoHS

8、應用領域:廣泛用在石油、化工、天然氣、電廠、冶金、水處理工程等領域

9、消費電力:AC10W 300W

關閉時間:8sec/58sec 0° 90°

最大扭力:35    3500N-M,

執行器電壓: AC:1φ110V、1φ220V、3φ220V、3φ380V、3φ440V、24V:

DC2 4V,

開度指示器:所有的型號在外殼上蓋正上方都具有連續機械裝置開度指示器

SUNYEH電動對夾蝶閥/碳鋼


最新產品
 
 
?
 
 
關于苯邦 產品中心 工程案例 新聞資訊 服務中心 聯系我們
 
關于我們
 
 
 
行業知識 行業新聞 公司動態
 
客服熱線
400-008-9311
 
友情鏈接: 苯邦閥門   煙囪維修   橙子包裝機   儲氣罐   玉米碴子機   一體化污水設備   氣動球閥   氣動球閥  
 
Copyright © 2002-2020 南京苯邦自動化設備有限公司 版權所有備案號:蘇ICP備2020069553號-2 網站地圖