選擇語言:簡體中文 | 繁體中文
025-87771411
400-008-9311
 
首 頁 > 產品中心 > SEFORT > 詳細
 
 
產品分類
氣動閥
電動閥
球閥
蝶閥
風閥
閘截止閥
氣動執行器
電動執行器
電動調節閥
氣動調節閥
氣動元件
Airtorque
i-Tork
SUNYEH
SIRCA
HIGHRATE
SEFORT
VEAPON
 
SEFORT
【SEFORT】氣動高壓球閥
 

【SEFORT】氣動高壓球閥

氣缸品牌:SEFORT

氣缸形式:雙作用、單作用

閥體材質:不銹鋼

連接方式:法蘭

環境溫度:標準型-20℃~+80℃

介質溫度:-20℃~+300℃


 QQ:2452931856/2361134893
 電話/微信:13390906260
 
  • 詳細介紹
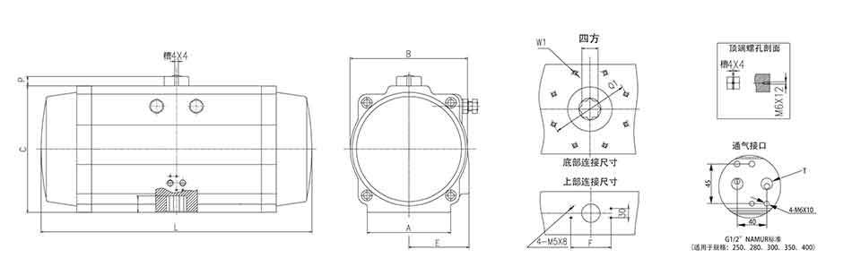
  • 尺寸參數
 

產品特點

1、硬質陽極氧化處理

氣缸采用高強度鋁合金材料,經過硬質陽極氧化處理,韌性高,不易留下劃痕

2、烤漆設計

兩端端蓋經過烤漆工藝處理,不易脫落,更好的保護缸體

3、耐腐蝕

耐腐蝕性能強,使用壽命更長久

4、流阻小

全通徑球閥,球閥流體阻力小,采用全通徑基本沒有流阻

5、專業性強

廣泛應用于石油、冶金、電力、水利、新能源等工況

6、標準鑄造

標準鑄造,鏈接支架,更精準,無間隙

7、標準化

國標,美標,日標

SEFORT氣動高壓球閥


最新產品
 
 
?
 
 
關于苯邦 產品中心 工程案例 新聞資訊 服務中心 聯系我們
 
關于我們
 
 
 
行業知識 行業新聞 公司動態
 
客服熱線
400-008-9311
 
友情鏈接: 苯邦閥門   煙囪維修   橙子包裝機   儲氣罐   玉米碴子機   一體化污水設備   氣動球閥   氣動球閥  
 
Copyright © 2002-2020 南京苯邦自動化設備有限公司 版權所有備案號:蘇ICP備2020069553號-2 網站地圖