選擇語言:簡體中文 | 繁體中文
025-87771411
400-008-9311
 
首 頁 > 產品中心 > Airtorque > 詳細
 
 
產品分類
氣動閥
電動閥
球閥
蝶閥
風閥
閘截止閥
氣動執行器
電動執行器
電動調節閥
氣動調節閥
氣動元件
Airtorque
i-Tork
SUNYEH
SIRCA
HIGHRATE
SEFORT
VEAPON
 
Airtorque
【AIRTORQUE】氣動三通卡箍球閥/快裝球閥
 

【AIRTORQUE】氣動三通卡箍球閥/快裝球閥

氣缸品牌:AIRTORQUE

氣缸形式:雙作用、單作用

閥體材質:不銹鋼、碳鋼

連接方式:卡箍

環境溫度:標準型-20℃~+80℃

介質溫度:-20℃~+300℃


 QQ:2452931856/2361134893
 電話/微信:13390906260
 
  • 詳細介紹
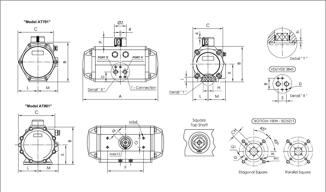
  • 尺寸參數
 

產品特點

1、制作工藝

壓制成型的鋁制缸體,內外部進行優越的防腐處理。

2、硬質陽極氧化處理

氣缸采用高強度鋁合金材料,經過硬質陽極氧化處理,韌性高,不易留下劃痕

3、烤漆設計

兩端端蓋經過烤漆工藝處理,不易脫落,更好的保護缸體

4、防腐防銹

整個氣缸外部經過Alodur+特氟隆圖層處理,適合化工車間,海邊工況等。

5、應用廣泛

適用于冶金石油電力水利造紙等各領域。

氣動三通卡箍球閥參數

最新產品
 
 
?
 
 
關于苯邦 產品中心 工程案例 新聞資訊 服務中心 聯系我們
 
關于我們
 
 
 
行業知識 行業新聞 公司動態
 
客服熱線
400-008-9311
 
友情鏈接: 苯邦閥門   煙囪維修   橙子包裝機   儲氣罐   玉米碴子機   一體化污水設備   氣動球閥   氣動球閥  
 
Copyright © 2002-2020 南京苯邦自動化設備有限公司 版權所有備案號:蘇ICP備2020069553號-2 網站地圖